微型電磁剎車器(微型電磁制動器)即小型電磁剎車器,主要應用在電子設備、辦公設備或其他傳動設備,它的扭矩通常是在0.5Nm至5Nm之間,具有外形巧小、安裝方便且空間小、響應迅速等特性,具有結構緊湊、安裝快捷、噪音低、制動平穩,有制動、保持功能。
微型電磁剎車器可與微型電機、伺服電機、直流電機配套廣泛應用于門機驅動、電動輪椅、倉儲自動控制、舞臺和劇院機械、自動門、醫療器械、步進電機等自動化機械傳動系統中。
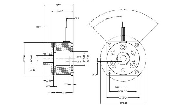
微型電磁剎車器參數與安裝尺寸圖如下:


安裝注意事項:
1、請不要使制動盤上沾有水分和油分,摩擦片及銜鐵表面需保持清潔不得有油污;
2、安裝時請對螺釘進行防止松弛的處理;
3、安裝和使用時請不要使轉子與銜鐵接觸;
4、安裝時請確認傳動軸與制動器的中心是否保持偏心±0.1mm,偏角0.25°以下的精度;

相關產品
TJ干式單片電磁剎車器(導...產品簡介: 天機傳動該型(TJ-B2)型TJ干...
電磁斷電剎車器,斷電制動...產品簡介: 天機傳動廠家生產的電磁斷電...
電磁失電制動器(斷電剎車...產品簡介:產品簡介: 電磁失電制動器(斷...
24伏小型電磁制動器,微型...產品簡介: 【廠家直銷】24伏小型電磁制動...
客戶證見

俄羅斯用戶
They are our customer for air shaft.air chuck for more than 1 year from Russia.They site visited our factory and gave a high evaluation.We have a real factory,more than 10 equipment for production.

斯里蘭卡用戶
Thanks for Mr. Kck from Sri Lanka coming for our tension controller and tension senors. We are manufacturer,specializing in tension controller and tension senior for magnetic powder clutch.Our engineer tried

德國用戶
The picture shows our Germany customer and sales department team.They visit our factory to find a magnetic powder brake for their

韓國用戶
n order to explore the development of new micro electromagnetic clutch brake,our Korea customers came to visit our factory and communicate with our engineer about the drawing of mini electromagnetic brake clutch.

意大利用戶
Mr.Luca form Italy,who contact with us through B2B alibaba in October 2013. Through several month\'s discussion.The final program was done,we have a nice talking about the project,one set of unwinding

俄羅斯用戶
Они Россия клиентов с нашим менеджером по продажам Owen.She пришел посетить наш семинар для воздуха shafts.Thank вы очень много для вашей поддержки на наших продуктах и ??профессиональной команды, чтобы помочь you.welcome на наш завод снова.

印度客戶
首先非常感謝天機傳動公司的接待,很高興與能這樣專業生廠家合作。磁粉離合器、制動器等系列產品精度好,經過測試,符合我們公司的設備應用,天機傳動公司的服務很棒,合作愉快!

日本客戶
まず感謝天機伝動會社の受付、とてもうれしいとこうして専門生メーカーの協力。パウダクラッチ、ブレーキなどシリーズ製品の精度がいい、テストを経るに沿って、私たちの會社の設備に応用して、天機伝動會社のサービスが上手で、協力で楽しい!

Client's Visting
The client from Pakistan signed long-term cooperation business relationship with us. He said: the appearance and quality of magnetic powder clutch and brake which Tian Ji Transmission provided can be compared with Japanese manufacturers, completely let me rest assured supply for my clients.
產品評論
- 2015-03-01 19:09:00姓名:邱生 - 干式電磁離合器帶鋁導座
- 微型電磁離合器規格,價格
- 2013-10-21 21:10:49姓名:陽先生 - 電磁離合剎車減速機附雙皮帶輪













